Carrito
Carrito vacío
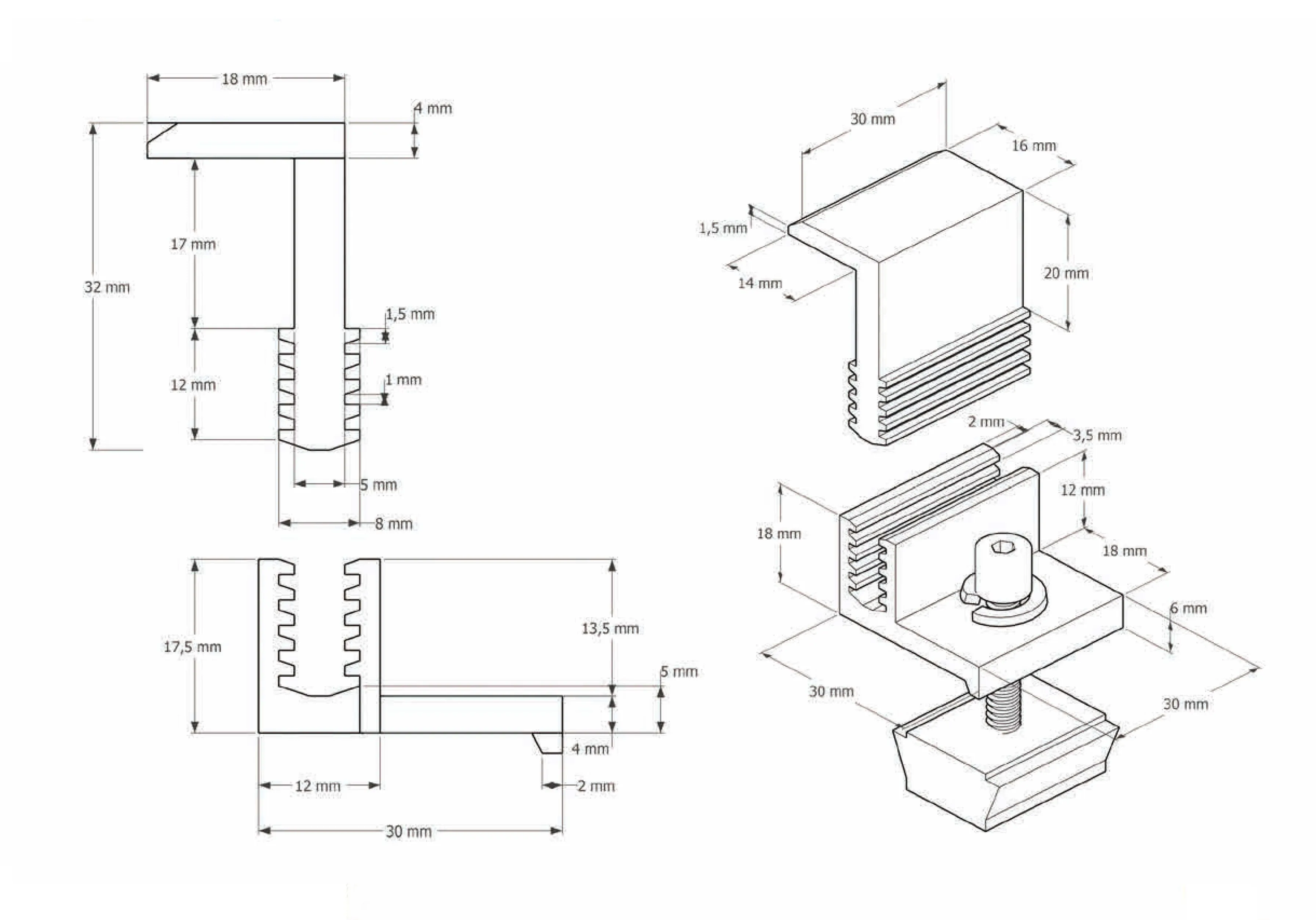
Diseño especial regulable que permite distintos anchos de placa solar.
Perfecto ajuste sobre el carril de la estructura.
Rápida colocación en el carril.
Tornillería en acero inoxidable A2. Índice de dureza 70.
| Código | Longitud (mm) | Largo (mm) | Ancho (mm) | Caja | U.M.V. | Carga | |||
|---|---|---|---|---|---|---|---|---|---|
| 01023540 | 40 | 40 | 30 | 1 | 1 | 1 kN |